Доставка 14 дней
- Изготовлена из закаленной стали для достижения максимальной прочности и износостойкости.
- Покрыта специальным антикоррозийным покрытием.
- Превосходное оригинальное качество.
Применение:
Honda ATV
- TRX400 EX Sportrax 05-08
- TRX400 X 09-12
- TRX400 X 13-14
Honda Off Road
- XR600 RM,RN,RP,RR,RS,RT,RV,RW,RX,RY 91-00
- XR600 RP,RR
93-94 Polaris ATV
- 500 Outlaw 06-07
- 500 Predator E 2x4 03-04
- 500 Predator 05-06
- 500 Predator LE 07
Honda Road
- XR650 L-P,R,S,T,V,W,X,Y,1,2,3,4,5,6,7,8,9,A,B,C,D,E,F,G,H 93-17
- XR650 L-J 18
14
15
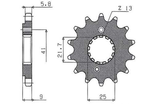
Материал звезды | Сталь |
Шаг цепи | 520 |
Количество зубьев | 14 |
Производитель | Sunstar |
Марка мотоцикла | Honda, HONDA ATV, POLARIS ATV |

