Доставка 14 дней
- Изготовлена из закаленной стали для достижения максимальной прочности и износостойкости.
- Покрыта специальным антикоррозийным покрытием.
- Превосходное оригинальное качество.
Применение:
Kawasaki ATV
- KSF450 B8,B9F,BAF,BBF,BCS,BDF,BEF (KFX450 R) 08-14
Kawasaki Road
- ZX-6R (ZX636 HKF) Ninja 19
- ZX-6R (ZX636 GKF,GLF) Ninja ABS 19-20
- ZX-6R (ZX636 GKFA,GLFA ) Ninja KRT Edition ABS 19-20
Kawasaki Road
- ZX-6R (ZX600 P7F,P8F,P9F,RAF,RBF,RCF,RDF) Ninja 07-15
- ZX-6R (ZX600) Ninja Performance 11-12
- ZX-6R (ZX636 EDF,EEF,EFF,EGF,EHF,EJF) Ninja 13-18
- ZX-6R (ZX636 EGF,EGFA,EHFA,EJFA,HKFA) Ninja KRT Edition 16-18
- ZX-6R (ZX636 FDF,FEF,FFF,FGF,FHF,FJF) Ninja ABS 13-18
- ZX-6R (ZX636 FGF,FGFA,FHFA,FJFA) Ninja KRT Edition
14
15
16
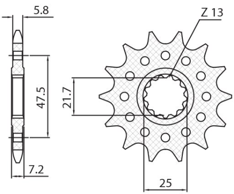
Материал звезды | Сталь |
Шаг цепи | 520 |
Количество зубьев | 15 |
Производитель | Sunstar |
Марка мотоцикла | Kawasaki, KAWASAKI ATV |

